Havarieschächte
Havarieschächte
Havarieschächte kommen in Betriebsbereichen zum Einsatz, in denen besondere Richtlinien und Sicherheitsmaßnahmen eingehalten werden müssen. Sie verhindern bei unvorhergesehenen Störfällen, wie z.B. Leckagen, durch automatisiert und selbstständig schließende Schieberanlagen Gefahren bei der Ableitung von Schadstoffen und ermöglichen eine kontrollierte Entsorgung.
Varianten
Die Havarieschächte decken ein breites Spektrum für die unterschiedlichsten Anwendungen ab. Sie sind in verschiedenen Größen und Abmessungen lieferbar.
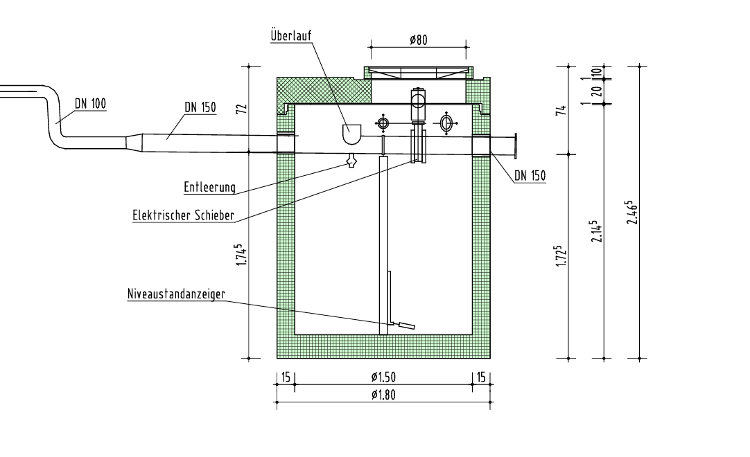
Havarieschacht Typ 1500
Der Durchmesser der Zu- und Ablaufleitung ist in DN 100, DN 150 und DN 200 möglich.
Havarieschacht Typ 2000
Der Durchmesser der Zu- und Ablaufleitung ist in DN 100, DN 150 und DN 200 möglich.
Havarieschacht Typ 2500
Der Durchmesser der Zu- und Ablaufleitung ist in DN 100, DN 150 und DN 200 möglich.
Havarieschacht Typ 3000
Der Durchmesser der Zu- und Ablaufleitung ist in DN 100, DN 150 und DN 200 möglich.
Detailansicht
Beispielhafte Darstellung der Variante Typ 1500. Detaillierte Angaben zu weiteren Optionen finden Sie in der Bauartzulassung im Downloadbereich.
Das Auffangvolumen variiert in Abhängigkeit des gewählten Querschnitts von 3.000 – 15.200 L.




